○高野町危険物規制規則
平成17年12月19日
規則第15号
高野町危険物規制規則(昭和55年高野町規則第12号)の全部を改正する。
(目的)
第1条 この規則は、消防法(昭和23年法律第186号。以下「法」という。)第3章、危険物の規制に関する政令(昭和34年政令第306号。以下「令」という。)及び危険物の規制に関する規則(昭和34年総理府令第55号。以下「省令」という。)の施行について、必要な事項を定めるものとする。
(仮貯蔵又は仮取扱いの承認等)
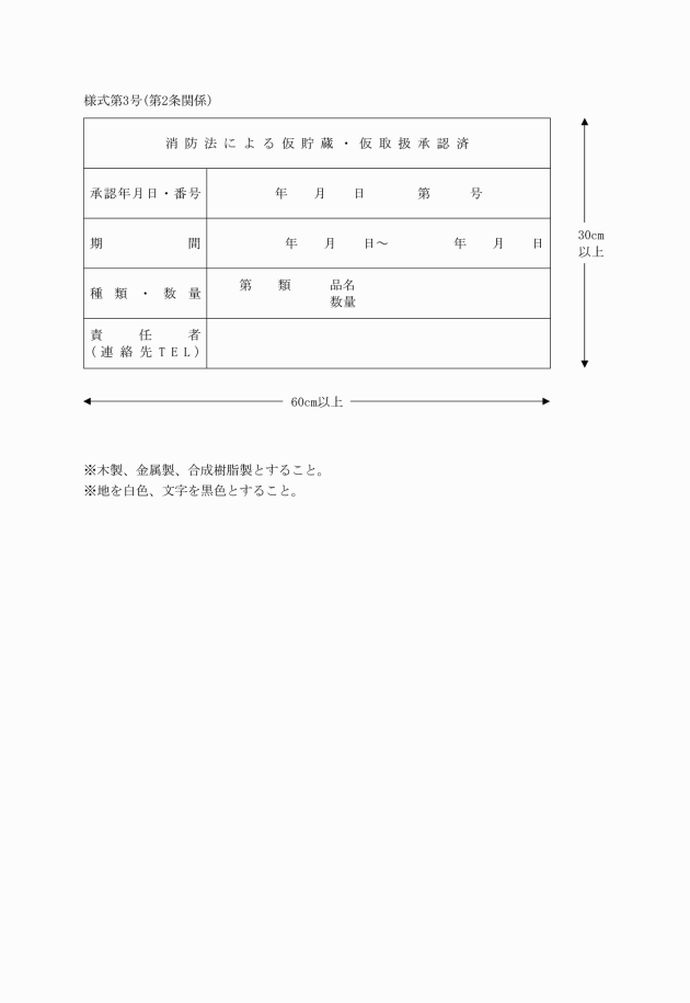
第2条 法第10条第1項ただし書の規定により危険物を仮に貯蔵し又は取り扱おうとする者は、危険物仮貯蔵・仮取扱申請書(様式第1号)に必要な資料を添えて、消防署長(以下「署長」という。)に提出し、承認を受けなければならない。
(指定数量の確認)
第3条 町長は、法第11条第1項の規定による製造所、貯蔵所又は取扱所(以下「製造所等」という。)の設置又は位置、構造若しくは設備の変更許可の申請を受理するに当たり、当該危険物の法第9条の4の規定に基づき政令で定める数量(以下「指定数量」という。)を確認するため必要と認めるときは、申請者に対し、当該危険物の指定数量を確認するために行った試験の結果の報告を求めることが出来る。
(製造所等の設置又は変更の許可等)
第4条 町長は、法第11条第2項の規定により許可を与えるときは、許可書(様式第5号)に申請書の副本を添えて申請者に交付するものとする。
(1) 作業明細書(様式第8号)
(2) 軽微変更を行う施設及び場所を明示した図面
(3) 軽微変更を行う設備等の資料図
(製造所等の仮使用の承認等)
第6条 町長は、法第11条第5項ただし書きの規定による承認をしたときは、承認書(様式第9号)に申請書の副本を添えて申請者に交付するものとする。
(完成検査不適合の通知)
第7条 町長は、法第11条第5項の規定による完成検査を行った結果、製造所等が法第10条第4項の技術上の基準に適合していないと認めたとき、又は法第11条第1項の規定による許可の内容と異なると認めたときは、完成検査不適合通知書(様式第13号)に申請書の副本を添えて申請者に交付するものとする。
(完成検査前検査不適合の通知)
第8条 町長は、法第11条の2第1項の規定による検査を行った結果、特定事項が法第10条第4項の技術上の基準に適合していないと認めたときは、完成検査前検査不適合通知書(様式第14号)に申請書の副本を添えて申請者に交付するものとする。
(許可の取消し)
第9条 町長は、法第12条の2第1項の規定により許可を取消したときは、危険物製造所等許可取消通知書(様式第15号)により関係者に通知するものとする。
(製造所等の譲渡又は引渡しの届出)
第10条 町長は、法第11条第6項の規定による製造所等の譲渡又は引渡しの届出を受理したときは、当該届出書の副本に届出済印を押して届出者に交付するものとする。
(危険物の種類又は数量の変更の届出)
第11条 町長は、法第11条の4第1項の規定による製造所等において貯蔵し又は取扱う危険物の品名、数量又は指定数量の倍数変更の届出を受理したときは、当該届出書の副本に届出済印を押して届出者に交付するものとする。
(製造所等の用途廃止の届出)
第12条 法第12条の6の規定による製造所等の用途廃止の届出をする者は、廃止の日から7日以内に当該届出書に令第8条第3項の完成検査済証及び令第8条の2第7項のタンク検査済証を添付しなければならない。
(危険物保安統括管理者の選任又は解任の届出)
第13条 町長は、法第12条の7第2項の規定による危険物保安統括管理者の選任又は解任の届出を受理したときは、当該届出書の副本に届出済印を押して届出者に交付するものとする。
(危険物保安監督者の選任又は解任の届出)
第14条 法第13条第2項の規定による危険物保安監督者の選任又は解任の届出をするときは、当該危険物保安監督者の危険物取扱者免状の写し及び実務経験証明書(様式第16号)を添付しなければならない。
2 町長は、前項の届出を受理したときは、当該届出書の副本に届出済印を押して届出者に交付するものとする。
(予防規定の認可等)
第15条 町長は、法第14条の2第1項の規定による認可をしたときは、認可書(様式第17号)に申請書の副本を添えて申請者に交付するものとする。
2 町長は、法第14条の2第2項の規定により認可をしないときは、予防規定不認可通知書(様式第18号)に申請書の副本を添えて申請者に交付するものとする。
(保安検査不適合の通知)
第16条 町長は、法第14条の3第1項又は第2項の規定による保安検査を行った結果、屋外タンク貯蔵所又は移送取扱所が法第10条第4項の技術上の基準に従って維持されていないと認めたときは、保安検査不適合通知書(様式第19号)に申請書の副本を添えて申請者に交付するものとする。
(危険物等の収去)
第17条 消防事務に従事する職員は、法第16条の5第1項の規定により危険物又は危険物であることの疑いのある物を収去するときは、危険物等収去書(様式第20号)に必要な事項を記入し、当該収去物の所有者、管理者又は占有者(以下「所有者等」という。)に交付するものとする。
2 許可書等を汚損し、又は破損したことにより前項の申請をするときは、申請書に当該許可書等を添付しなければならない。
3 町長は、第1項の申請を受理したときは、再交付を行うものとする。
4 許可書等を亡失して再交付を受けた者は、亡失した許可書等を発見した場合は、これを10日以内に町長に提出しなければならない。
(危険物以外の物品の貯蔵届出)
第19条 政令第26条第1項第1号ただし書きの規定により、貯蔵所において危険物以外の物品を貯蔵しようとする当該貯蔵所の所有者等は、当該物品を貯蔵しようとする日の5日前までに、危険物以外の物品の貯蔵届出書(様式第22号)により町長に届け出なければならない。
2 町長は、前項の届出を受理したときは、届出書の副本に届出済印を押して届出者に交付するものとする。
(製造所等の所有者等の住所、氏名又は名称の変更の届出)
第20条 製造所等の所有者等でその住所、氏名又は名称を変更した者は、届出書(様式第23号)により町長に届け出なければならない。
2 町長は、前項の届出を受理したときは、届出書の副本に届出済印を押して届出者に交付するものとする。
(製造所等の使用の休止・再開の届出)
第21条 製造所等の所有者等は、製造所等の使用を3ヶ月以上休止しようとするときは、その7日前までに、危険物製造所等使用休止・再開届出書(様式第24号)により町長に届け出なければならない。その使用を再開しようとするときも同様とする。
2 町長は、前項の届出を受理したときは、届出書の副本に届出済印を押して届出者に交付するものとする。
(製造所等の火気使用工事の届出)
第22条 製造所等の所有者等は、製造所等において溶接、溶断等火花を発する器具等を使用する工事をしようとするときは、火気使用工事届出書(様式第25号)に作業明細書を添付し町長に届け出なければならない。ただし、軽微変更の届出をした場合又は仮使用承認を受けた場合は、この限りでない。
2 町長は、前項の届出を受理したときは、届出書の副本に届出済印を押して届出者に交付するものとする。
(製造所等の災害発生の届出)
第23条 製造所等の所有者等は、製造所等において危険物等による災害が発生したときは、災害発生の経過等を、発生の日から3日以内に危険物施設災害発生届出書(様式第26号)により町長に届け出なければならない。
(申請書等の添付書類等)
第24条 町長は、法第11条第1項の規定による製造所等の許可申請を受理するに当たり必要があると認めるときは、申請者に対し、次の各号に掲げる書類の提示又は写しの添付を求めることができる。
(1) 変更許可申請を行う製造所等の変更前の許可書及び完成検査済証
(2) 前号の許可書に係る申請書等
(3) 当該製造所等に設置する危険物タンクのタンク検査済証
(提出書類の経由)
第26条 法、政令、省令及びこの規則の定めるところにより町長に提出し、又は町長が交付する書類は、消防長を経由しなければならない。
(施行細目の委任)
第27条 この規則の施行に関し必要な事項は、消防長が定める。
附則
(施行期日)
この規則は、平成17年12月12日から施行する。
附則(平成28年規則第6号)
(施行期日)
1 この規則は、行政不服審査法(平成26年法律第68号)の施行の日(平成28年4月1日)から施行する。
(経過措置)
2 行政庁の処分その他の行為又は不作為についての不服申立てに関する手続であってこの規則の施行前にされた行政庁の処分その他の行為又はこの規則の施行前にされた申請に係る行政庁の不作為に係るものについては、なお従前の例による。
3 この規則の施行の際、第1条の規定による改正前の高野町移動通信用施設管理規則、第2条の規定による改正前の高野町情報公開条例施行規則、第4条の規定による改正前の高野町個人情報保護条例施行規則、第5条の規定による改正前の高野町職員の懲戒の手続及び効果に関する条例施行規則、第7条の規定による改正前の町税に関する文書の様式を定める規則、第8条の規定による改正前の高野町基準該当居宅支援事業者の登録等に関する規則、第9条の規定による改正前の高野町身体障害者福祉法、知的障害者福祉法及び児童福祉法に基づく指定居宅支援及び指定施設支援の事務処理に関する規則、第10条の規定による改正前の高野町立こども園設置条例施行規則、第11条の規定による改正前の高野町児童手当事務取扱規則、第12条の規定による改正前の高野町子ども手当事務処理規則、第13条の規定による改正前の高野町乳幼児医療費給付条例施行規則、第14条の規定による改正前の高野町老人医療事務取扱規則、第15条の規定による改正前の高野町法定外公共物管理条例施行規則、第16条の規定による改正前の高野町土砂等による土地の埋立て等の規制に関する条例施行規則及び第17条の規定による改正前の高野町危険物規制規則に規定する様式による用紙で、現に残存するものは、当分の間、所要の修正を加え、なお使用することができる。



























